基本參數/PARAMETER
| 工作溫度 | -25℃+125℃ |
| 額定負荷 |
AC125V 10A/250V 5A |
| 絕緣阻抗 | 100mΩMin |
| 機械壽命 | 1000,000Cycles |
| 接觸電阻 |
≤100mΩ |
| 操作力 | 15±8gf、25±15gf、35±20gf |
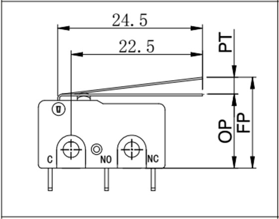
外形圖/Specification
安裝孔尺寸圖/Mounting hole dimensions
電路圖/Schematic
焊接條件/Welding conditions
注意事項/Precautions
應用行業/By Industry
|
|









