應用領域
DC插座用于路由器
DC-035 用于筆記本電腦
|
基本參數/PARAMETER |
|
|
工作溫度 |
-20°C ~ 70°C |
|
插拔力 |
5-30N |
|
絕緣電阻 |
≥100MQ |
|
工作壽命 |
5000插拔壽命 |
|
接觸電阻 |
≤100MQ |
|
額定電流 |
DC 30V 3.5A |
|
行程 |
6+0.1mm |
產品優勢
產品半自動化檢測,品質穩定。
8H 鹽霧測試可在相對惡劣環境下使用
品質卓越、價格合理、交期準時。
沉板式 大電流電源插座,可以降低產品的厚度,使其達到薄的效果
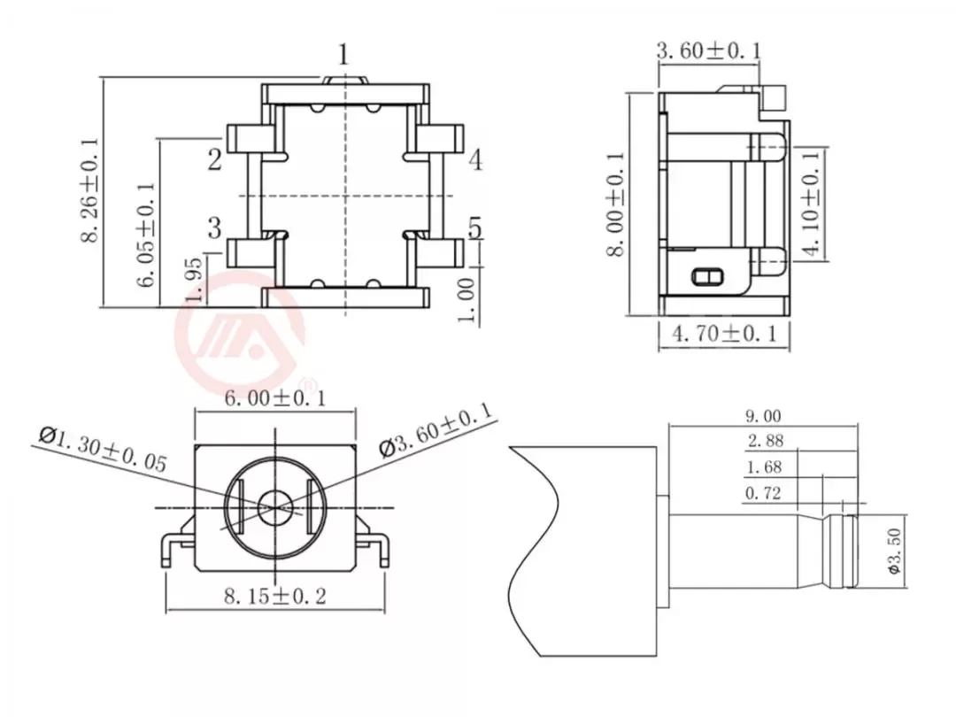
產品圖紙
安裝尺寸圖
產品測試


世界500強優秀供應商